○南国市地域集会所整備等事業費補助金交付要綱
平成30年4月9日
告示第55号
(趣旨)
第1条 この要綱は,南国市補助金の交付に関する条例(昭和53年南国市条例第20号)第17条の規定に基づき,地域集会所の整備等を支援することにより,本市における積極的な地域活動の促進を図ることを目的とする南国市地域集会所整備等事業費補助金(以下「補助金」という。)の交付に関し,必要な事項を定めるものとする。
(定義)
第2条 この要綱において「地域集会所」とは,次の各号に掲げる要件のいずれにも該当する建物をいう。
(1) 集会所,公民館等と呼ばれている施設であって,一定区域内の住民の教養の向上及び健康の増進,生活文化の振興並びに住民同士の結びつきの強化に寄与することを目的として,集会及び行事に活用される建物であること。
(2) 国,地方公共団体その他公の機関が所有する建物でないこと。
(3) 次条に規定する補助金の交付の対象となる者(以下「補助事業者」という。)が所有する建物であること。
(4) その構造上,明らかに危険を有するものと認められる建物でないこと。
(補助事業者)
第3条 補助事業者は,字の区域その他南国市内の一定の区域に住所を有する者の地縁に基づいて形成された団体であって,次に掲げる要件に該当するものとする。
(1) 団体の規約を定めていること。
(2) 代表者を定めていること。
(補助対象事業の内容等)
第4条 補助金の交付の対象となる事業(以下「補助対象事業」という。)の内容,補助金の交付の対象となる経費(以下「補助対象経費」という。),補助対象経費の限度額,補助率及び補助金の交付の要件は,別表のとおりとする。
(補助金額)
第5条 補助金の額は,補助対象経費の合計額と補助対象経費の限度額のうちいずれか低い額に補助率を乗じて得た額(1,000円未満の端数は切り捨てる。)とし,予算の範囲内で交付する。
(交付申請)
第6条 補助事業者は,補助金の交付を受けようとするときは,南国市地域集会所整備等事業費補助金交付申請書(様式第1号)を市長に提出しなければならない。
2 市長は,前項の規定による補助金の交付の決定に際し,必要な条件を付すことができる。
(概算払)
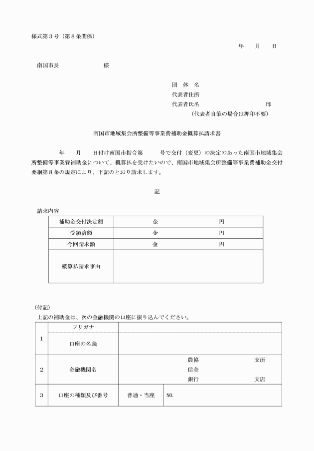
第8条 補助事業者は,市長が補助金の交付の決定を受けた補助対象事業(以下「補助事業」という。)の目的を達成するために必要があると認めるときは,南国市地域集会所整備等事業費補助金概算払請求書(様式第3号)により,概算払の請求をすることができる。
(変更等承認)
第9条 補助事業者は,補助事業の内容を変更し,又は補助事業を中止し,若しくは廃止しようとするときは,あらかじめ南国市地域集会所整備等事業費補助金変更等承認申請書(様式第4号)により,市長に申請しなければならない。
2 市長は,前項の規定による申請書の提出があったときは,速やかにその内容を審査し,変更等の可否について,文書により補助事業者に通知するものとする。
(現場検査等)
第10条 市長は,必要と認める場合は,補助事業に係る工事について,現場で検査し,又は補助事業者に対し,説明若しくは必要な資料の提出を求めることができる。
(実績報告)
第11条 補助事業者は,補助事業が完了したときは,補助事業の完了の日から起算して30日を経過した日又は当該年度の3月31日のいずれか早い日までに,南国市地域集会所整備等事業費補助金実績報告書(様式第5号)を市長に提出しなければならない。
2 市長は,前項の規定により補助金の交付の額を確定した場合において,既にその額を超える補助金を交付しているときは,期限を定めてその超える額に相当する金額の返還を命じるものとする。
(遵守事項)
第14条 補助事業者は,補助金の交付の目的を達成するために,次に掲げる事項を遵守しなければならない。
(1) 南国市補助金の交付に関する条例及びこの要綱の規定に従うこと。
(2) 補助事業の実施に当たっては,南国市事業等に係る契約からの暴力団の排除に関する規則(平成25年南国市規則第2号)第3条各号に掲げる事項のいずれかに該当するものを契約の相手方としない等の南国市の暴力団排除の取扱いに準じて行うこと。
(3) 補助事業により取得し,又は効用の増加した財産は,当該事業の完了後においても善良な管理者の注意をもって適正に管理するとともに,補助金の交付の目的に従ってその効率的な運用を図ること。
(4) 補助事業により取得し,又は効用の増加した財産については,減価償却資産の耐用年数等に関する省令(昭和40年大蔵省令第15号)に定められる耐用年数に相当する期間内において,市長の承認を受けずに,補助金の交付の目的に反して使用し,譲渡し,交換し,廃棄し,貸し付け,又は担保に供さないこと。
(5) 前号の規定により市長の承認を得て財産を処分したことにより収入があった場合は,当該収入の全部又は一部を南国市に納付しなければならないこと。
(6) 補助事業に係る収入及び支出を明らかにした帳簿を備え,当該収入及び支出について証拠書類を整理し,補助事業の完了後5年間保管すること。
(補助金の返還等)
第15条 市長は,補助事業者が次の各号のいずれかに該当すると認める場合は,補助金の交付の決定の全部又は一部を取り消し,既に交付した補助金があるときは,その取消しに係る金額を返還させるものとする。
(1) この要綱の規定に違反したとき。
(2) 補助金の交付の決定の条件に違反したとき。
(3) 補助金を交付の目的以外に使用したとき。
(4) 提出する書類に虚偽の記載をする等の不正な行為を行ったとき。
(5) その他補助金の交付が不適当と認めるとき。
(その他)
第16条 この要綱に定めるもののほか,補助金の交付に関し必要な事項は,市長が別に定める。
附則
この要綱は,公布の日から施行する。
附則(令和7年告示第176号)
この要綱は,公布の日から施行する。
別表(第4条関係)
補助対象事業 | 補助対象経費 | 補助対象経費の限度額 | 補助率 | 補助金の交付の要件 | |||||
区分 | 内容 | 細分 | 内容 | ||||||
建替改築事業 | 地域集会所に係る次の各号に掲げるいずれかの事業 (1) 建替(従前の建物を取り壊して,位置,用途,階数又は規模のうちいずれかが著しく異なる建物を建築することをいう。以下同じ。) (2) 改築(従前の建物を取り壊して,これと位置,用途及び規模が同程度の建物を建築することをいう。以下同じ。) | 設計事業 | 地域集会所の建替又は改築に係る新たな地域集会所の設計 | 補助対象事業に要する経費。ただし,建物本体(基礎,柱,壁及び屋根をいう。以下同じ。)及び地域集会所の機能保持のため最低限必要な附帯設備(畳,便器,炊事設備その他これに類するものをいう。以下同じ。)に係るものに限る。 | 1,000万円 | 5分の3 | 1 過去に本補助金を受けた地域集会所である場合は,その事業(区分の欄の単位の事業をいう。)の完了の日から10年以上経過していること。 2 前項の規定にかかわらず,修理事業については,前回の修理事業の完了の日から10年未満であっても,通算の補助対象経費が当該限度額を超えないうちは,再度補助金の交付の申請をすることができる。 3 本補助制度と重複する国,地方公共団体その他団体の支援制度の利用が可能な場合は,原則として当該支援制度を利用すること。 | 原則として建築後30年を経過した地域集会所に係るものであること。ただし,天変地変その他不可抗力により補助対象事業の実施が必要となった場合であって,当該実施をしなければ地域集会所としての集会機能を発揮することができないと認められるときに限り,建築後30年を経過していない地域集会所であっても補助の対象とする。 | 建替改築工事事業を確実に実施することに同意していること。 |
除却事業 | 地域集会所の建替又は改築に係る既存の地域集会所の除却 | 補助対象事業に要する経費 | |||||||
建替改築工事事業 | 地域集会所の建替又は改築に係る新たな地域集会所の建築 | 次に掲げる経費 (1) 補助対象事業に要する経費(監理費用を含む。)。ただし,建物本体及び地域集会所の機能保持のために最低限必要な附帯設備に係るものに限る。 (2) 既存の地域集会所の除却後新たに建築する地域集会所に係る建物の表示の登記に要する経費 | 地方自治法(昭和22年法律第67号)第260条の2の規定に基づき,「地縁による団体」として南国市長の認可を受け,建物の表示に関する登記を行うことに同意していること。 | ||||||
大規模修繕事業 | 1 経年劣化又は不可抗力により効用が低下した地域集会所の主要構造部(壁,柱,床,はり,屋根又は階段をいい,建物の構造上重要でない間仕切壁,間柱,附け柱,揚げ床,最下階の床,廻り舞台の床,小ばり,ひさし,局部的な小階段,屋外階段その他これらに類する建物の部分を除く。以下同じ。)の一種以上について行う過半の修繕工事(主要構造部の修繕工事に伴い必然的に必要となる主要構造部以外の箇所の工事を含む。) 2 前項の修繕は,原則として,同質の材料を用いて,同じ形状及び寸法でつくり替え,原状を回復するものに限る。ただし,事業費が安価となる場合,同質の材料を使用することが現工法上一般的でない場合その他合理的な理由があると市長が認める場合に限り,同質ではない材料を用いて,又は違う形状若しくは寸法によることができる。 | 補助対象事業に要する経費(設計監理に要する経費を含む。) | 1,000万円 | ||||||
修理事業 | 1 地域集会所について,経年劣化又は不可抗力により効用が低下し,又は損壊した部分の原状を回復する修理工事であって,次の各号のいずれかに該当するもの。ただし,当該部分に係る修理に要する事業費が10万円を超えるものに限る。 (1) 外壁又は屋根部の再塗装,樋の修理その他当該部分の修理を行わなかった場合に,雨水の侵入,土壌の浸食等による地域集会所の腐食,劣化等につながる恐れが高いと認められるもの (2) 床にたわみが生じていることによる当該たわみ部分の床の張替えその他当該部分の修理等を行わなかった場合に,地域集会所の利用者に転倒等の危険性があると認められるもの (3) ドア又は窓の建付けの修理その他当該部分の修理を行わなかった場合に,地域集会所の他の部分への悪影響が生じる恐れがあると認められるもの (4) 水漏れ,詰まり等が生じた給排水衛生設備の修理 2 前項本文の規定にかかわらず,部材が不可分である等,効用が低下し,又は損壊した部分以外の部分(以下「損壊等部分以外の部分」という。)についても一体的に工事をする必要がある場合は,当該必要性について工事施工業者からの意見があり,かつ,市長が必要と認めたときに限り,損壊等部分以外の部分の工事についても補助の対象とすることができる。 | 補助対象事業に要する経費 | 200万円 | ||||||







